Cabs
Caterpillar Cabs: Engineered for Excellence
Experience the ultimate operator environment with Caterpillar Cabs. Our extensive range of premium cabs caters to a variety of construction, mining, and forestry applications, delivering unparalleled comfort, safety, and productivity.
Unmatched Comfort:
Ergonomic design for reduced fatigue and increased focus
Advanced climate control systems for optimal temperature regulation
Noise-dampening materials for a quieter, more comfortable work environment
Enhanced Safety:
Superior visibility with panoramic windows and strategically placed mirrors
Advanced safety features like roll-over protection structures (ROPS) and falling object protective structures (FOPS)
Integrated safety systems for real-time monitoring and alerts
Unparalleled Productivity:
Intuitive controls and easy-to-read displays for efficient operation
Advanced technology features like integrated GPS and machine monitoring systems
Customizable options to meet specific application needs
Innovation at its Core:
Caterpillar Cabs are constantly evolving, incorporating cutting-edge technologies and materials to deliver the best possible operator experience. Our commitment to innovation ensures your machines remain at the forefront of performance and efficiency.
Find the Perfect Cab for Your Needs:
Explore our diverse range of Caterpillar Cabs, designed to meet the unique demands of your application. From compact cabs for tight spaces to spacious models with advanced features, we have the perfect solution for your Cat® machines.
Contact us today to learn more about Caterpillar Cabs and how they can elevate your operation to the next level.
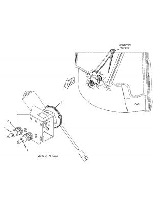
- 320-1389: Arm Assembly-WiperCat Wiper Arm Assembly (Wet) Learn More
-
- 305-9191: Nozzle Assembly-WasherCat Washer Nozzle Assembly Learn More
- 330-5032: Wiper Motor AssemblyCat Windshield Wiper Motor Assembly (12 V) (Front) Learn More
- 8T-0089: Arm Assembly-WiperCat Wiper Arm Assembly (Hook Type) Learn More
-
- 322-9633: Wiper Blade AssemblyCat Wiper Blade Assembly (400 mm) Learn More
- 248-2621: Arm Assembly-WiperCat Wiper Arm Assembly (Wet) Learn More
-
- 423-4217: MOTOR GP-WIPCat Windshield Wiper Motor Assembly (24 V) Learn More
-
- 461-1297: Wiper Motor AssemblyCat Windshield Wiper Motor Assembly (24 V) (Front) Learn More
- 307-0205: Arm Assembly-WiperCat Wiper Arm Assembly (Wet) Learn More
- 398-3575: Bottle AssemblyCat Wiper Fluid Reservoir Assembly (5.8 L) (24 V) (2 Pumps) (Level Sensor) Learn More
- 8T-4924: Arm Assembly-WiperCat Wiper Arm Assembly (Fixed) Learn More
- 295-2695: Wiper Motor AssemblyCat Windshield Wiper Motor Assembly (24 V) (Door) (LH) Learn More
-
- 261-1177: Crank Motor AssemblyCat Crank Drive Assembly (Wiper) Learn More
- 330-5010: Wiper Motor AssemblyCat Windshield Wiper Motor Assembly (12 V) (Rear) Learn More
-